Dodge Engine Wiring Diagram

Download Dodge Engine Wiring Diagram Gif. All diagrams contained in this booklet are. I am trying to install the factory remote start kit.

wiring-diagram-dodge-coronet-1965 - Bob's Garage Library
wiring-diagram-dodge-coronet-1965 - Bob's Garage Library from bzerob2.files.wordpress.com
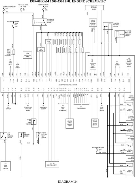
1.4l, engine performance wiring diagram (4 of 6). This is an engine compartment wiring diagram for a 1969 valiant. Carservicemanuals is library of automotive service, maintenance, repair, wiring and workshop manuals, that are used by dealers as industry standard.

Free wiring diagrams for your car or truck.

Always verify all wires, wire colors and diagrams before applying any information found here to your dodge. 1.4l, engine performance wiring diagram (1 of 6). But if you want everything, you'll have to pay for a whole repair manual. Check the wiring harness battery, engine and car.


0 Response to "Dodge Engine Wiring Diagram"

Post a Comment

Iklan Atas Artikel

Iklan Tengah Artikel 1

Iklan Tengah Artikel 2

Iklan Bawah Artikel